Уважаемые пользователи ресурса, ни какой политики на форуме!
Никаких нациалистических взглядов.
Используйте ресурс по назначению!
На аватарках ни какой символики, причисляющей Вас к каким либо группам!
Не провоцируйте других участников.
Никаких нациалистических взглядов.
Используйте ресурс по назначению!
На аватарках ни какой символики, причисляющей Вас к каким либо группам!
Не провоцируйте других участников.
Делаю ЛБП
Делаю ЛБП
Все как положено - линейный стабилизатор
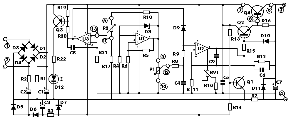
трансформатор ТПП-287 (удалось отхватить недорого) Плата стабилизатора китайский конструктор 0-30 в. 0-3 а., по случаю удалось купить на распродаже озон по 250 руб за один... Может у конструкции и есть недостатки - но за 250 руб даже детали на этот конструктор не купить По последней моде - схема не идет, поэтому пришлось искать в интернете, и как оказалось там тоже схемы качеством не отличаются есть и всякие рабочие схемы в собранном виде на столе немного по тестировал - и в общем то все недостатки одного входного напряжения проявились во всей своей красе - выходной транзистор греется очень ощутимо при напряжении 1.5 вольта и токе 1.5 ампера - как не крути - а на транзисторе падает напряжение с 27 вольт, и это почти 40 ватт мощности, транзистор конечно на радиаторе, который охлаждается вентилятором - но честно сознаюсь - мой радиатор не на такие мощности (даже с обдувом)
Но проверить в общем работу удалось, можно теперь собирать и второй (какой лбп с одним выходом ?)
трансформатор ТПП-287 (удалось отхватить недорого) Плата стабилизатора китайский конструктор 0-30 в. 0-3 а., по случаю удалось купить на распродаже озон по 250 руб за один... Может у конструкции и есть недостатки - но за 250 руб даже детали на этот конструктор не купить По последней моде - схема не идет, поэтому пришлось искать в интернете, и как оказалось там тоже схемы качеством не отличаются есть и всякие рабочие схемы в собранном виде на столе немного по тестировал - и в общем то все недостатки одного входного напряжения проявились во всей своей красе - выходной транзистор греется очень ощутимо при напряжении 1.5 вольта и токе 1.5 ампера - как не крути - а на транзисторе падает напряжение с 27 вольт, и это почти 40 ватт мощности, транзистор конечно на радиаторе, который охлаждается вентилятором - но честно сознаюсь - мой радиатор не на такие мощности (даже с обдувом)
Но проверить в общем работу удалось, можно теперь собирать и второй (какой лбп с одним выходом ?)
Re: Делаю ЛБП
Теперь о продолжении
Планирую сам регулятор запитывать от внешнего источника (другой трансформатор. маломощный)
а с ТПП получать разные напряжения при помощи релейного модуля с моими обмотками это будут
5, 7.63, 10, 12.63, 15, 17.63 вольта
по задумке это уменьшит тепловыделение на выходных транзисторах регулятора напряжения в разы...
управлять этим наверное придется уже какой нить STM32F401 (люблю их использовать - дешево и сердито)
ну и релейный модуль надо купить какой нить, пока смотрю на али, там есть 8ми релейный модуль с опторазвязкой
Планирую сам регулятор запитывать от внешнего источника (другой трансформатор. маломощный)
а с ТПП получать разные напряжения при помощи релейного модуля с моими обмотками это будут
5, 7.63, 10, 12.63, 15, 17.63 вольта
по задумке это уменьшит тепловыделение на выходных транзисторах регулятора напряжения в разы...
управлять этим наверное придется уже какой нить STM32F401 (люблю их использовать - дешево и сердито)
ну и релейный модуль надо купить какой нить, пока смотрю на али, там есть 8ми релейный модуль с опторазвязкой
второй канал
В перерывах между работой и тестом форума и сайта собрал второй канал
теперь надо и ему куллер заказать, да протестировать...
Re: Делаю ЛБП
Еще одну схему нашел
Re: Делаю ЛБП
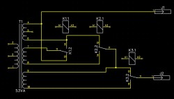
На авито заказал ТПП-246
Планирую что его обмотки по 20 вольт будут запитывать каналы ЛБП
поскольку с ТПП-287 получу максимум 20 вольт - то и запитывать операционники достаточно будет напряжением 20 вольт
так используя две обмотки по 20 вольт
оставшиеся напряжения можно будет использовать для блока коммутации, индикации и т.д.
кстати, на озоне потом нашел трансформаторы на 24 вольта мощностью 2 ватта.. заказал на всякий случай (попробовать), да и размеры хочу увидеть - может быть оптимально будет использовать именно их (если они будут компактнее тпп-246) https://www.ozon.ru/product/odinochnyy- ... 371868607/
поскольку с ТПП-287 получу максимум 20 вольт - то и запитывать операционники достаточно будет напряжением 20 вольт
так используя две обмотки по 20 вольт
оставшиеся напряжения можно будет использовать для блока коммутации, индикации и т.д.
кстати, на озоне потом нашел трансформаторы на 24 вольта мощностью 2 ватта.. заказал на всякий случай (попробовать), да и размеры хочу увидеть - может быть оптимально будет использовать именно их (если они будут компактнее тпп-246) https://www.ozon.ru/product/odinochnyy- ... 371868607/
- testosteron
- Сообщения: 30
- Зарегистрирован: Пн фев 16, 2026 8:05 pm
Re: Делаю ЛБП
Виталь, а почему пошел этим путем?
почему из БП ATX не стал делать?
почему из БП ATX не стал делать?
Re: Делаю ЛБП
потому что как только нагрузка появляется у БП - то если он импульсный то сразу появляются пульсации с частотой ШИМ, и она достаточно высока...testosteron писал(а): Пт апр 17, 2026 9:19 am Виталь, а почему пошел этим путем?
почему из БП ATX не стал делать?
у трансформаторных ЛБП это конечно тоже проявляется, вот только частота там 50 гц.., да и более плавно эти пульсации происходят...
так что - только трансформатор, только хардкор
ну и плюсом - основное это изменение напряжения на входе - чтобы не распылять по 40 ватт при малых напряжениях и больших токах - если подобное делать на импульсном источнике - то там пульсации вообще гигантские будут...
Re: Делаю ЛБП
что то у меня ни одна картинка не открылась 






